- 3-punts-, kartel- en apparaatknoppen
- Armleggers
- Beugel-, blok- en komgrepen
- Handslingers en 3-armswielen
- Handwielen kunststof
- Kegel-, ballen-, cilinder-, konus- en vouwgrepen
- Kogel- en schakelknoppen
- Span- en knevelgrepen
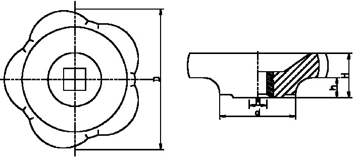
- Ster-, kruis- en stelknoppen
- Vleugelknoppen, T-grepen en dekselknoppen
Apparatenknop Bakeliet met doorlopende draadbus
productgroep code: 004120.
[ gerelateerde producten ]| Artikelcode | D | d | H | h | |||||
|---|---|---|---|---|---|---|---|---|---|
| 004120.063100001.000 | 63 | 22 | 20 | 9 | M10 DRL. | ST | zwart | ||
| 004120.080100001.000 | 80 | 28 | 22 | 10 | M10 DRL. | ST | zwart |





























